
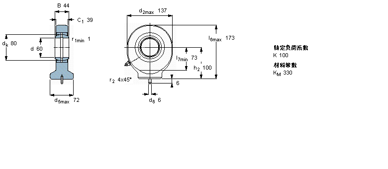
軸承型號:SC60ES
| 需要維護的桿端, 鋼對鋼,焊接柄 | ||||||||||
| 公差 , 參見文字 | ||||||||||
| 徑向內部游隙 , 參見文字 | ||||||||||
|
|
||||||||||
| 主要數據尺寸 | 角度傾的 | 基本負荷額定值 | 質量 | 型號 | ||||||
| 動態(tài) | 靜態(tài) | |||||||||
| d | d2 | B | C1 | h2 | ± | C | C0 | |||
| 最大 | ||||||||||
|
|
||||||||||
| mm | 度數 | kN | kg | - | ||||||
|
|
||||||||||
| 60 | 137 | 44 | 39 | 100 | 6 | 245 | 335 | 4,20 | SC 60 ES | |
