
軸承型號(hào):KMT13
| 帶鎖緊銷的KMT精密鎖緊定螺母 | ||||||||||
|
|
||||||||||
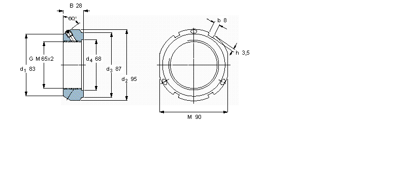
| 螺紋尺寸 | 尺寸 | 軸向負(fù)荷 | 體積 | 型號(hào) | 平頭螺釘 | |||||
| 承載能力 | 鎖定螺母 | 適宜的板手 | 尺寸 | 推薦的緊固扭矩 | ||||||
| d3 | B | G | 靜態(tài) | |||||||
|
|
||||||||||
| - | mm | - | kN | kg | - | - | - | Nm | ||
|
|
||||||||||
| 65 | 87 | 28 | M 65x2 | 460 | 0,71 | KMT 13 | HN 15 | M 8 | 18 | |