
軸承型號:WEEYB003-2ZR
| 深溝球軸承, 單列,不銹鋼,帶法蘭, 兩面防塵罩 | ||||||||||||
| 公差 , 參見文字 | ||||||||||||
| 徑向內部游隙 , 參見文字 | ||||||||||||
| 推薦配合 | ||||||||||||
| 軸和軸承座公差 | ||||||||||||
|
|
||||||||||||
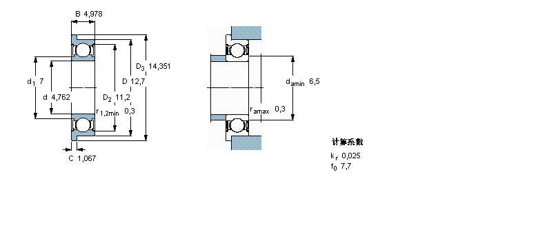
| 主要數據尺寸 | 基本負荷額定值 | 疲勞負荷限值 | 額定速度 | 體積 | 型號 | |||||||
| 動態(tài) | 靜態(tài) | 參照速度 | 限制速度 | |||||||||
| d | D | D3 | B | C | C | C0 | Pu | |||||
|
|
||||||||||||
| mm | kN | kN | r/min | kg | - | |||||||
|
|
||||||||||||
| 4,762 | 12,7 | 14,351 | 4,978 | 1,067 | 0,793 | 0,28 | 0,012 | 110000 | 53000 | 0,0035 | WEEYB 003-2ZR | |