
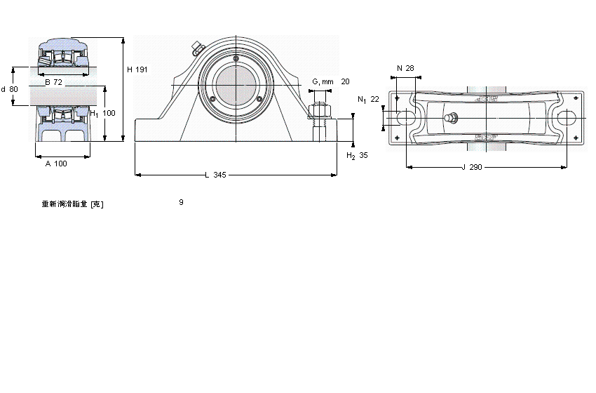
軸承型號:SYNT80F
| 滾子軸承立式軸承座單元, SKF ConCentra, locating units, general conditions (double-lip seals) | ||||||||||||
|
|
||||||||||||
| 尺寸 | 尺寸 [英寸] | 疲勞負荷限值 | 限制速度 | 體積 | 型號 | 軸承,基本型號 | ||||||
| 動態(tài) | 靜態(tài) | |||||||||||
| da | A | H | H1 | L | C | C0 | Pu | |||||
|
|
||||||||||||
| mm | kN | kN | r/min | kg | - | - | ||||||
|
|
||||||||||||
| 80 | 100 | 191 | 100 | 345 | 236 | 270 | 29 | 2300 | 20 | SYNT 80 F | 22216 E | |