
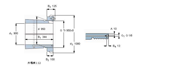
軸承型號(hào):OH39/950HE
| 緊定套 | ||||||||||
|
|
||||||||||
| 尺寸 | 體積 | 型號(hào) | ||||||||
| 緊定軸套帶螺母 | 鎖定螺母 | 鎖定裝置 | 適宜的液壓 | |||||||
| d1 | d | d3 | B1 | G | 和鎖緊裝置 | 螺母 | ||||
|
|
||||||||||
| mm | kg | - | ||||||||
|
|
||||||||||
| 900 | 950 | 1080 | 344 | Tr 950x8 | 362 | OH 39/950 HE | HME 30/950 | MS 30/950 | HMV 190 E | |