
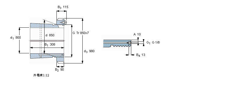
軸承型號(hào):OH39/850H
| 緊定套 | ||||||||||
|
|
||||||||||
| 尺寸 | 體積 | 型號(hào) | ||||||||
| 緊定軸套帶螺母 | 鎖定螺母 | 鎖定裝置 | 適宜的液壓 | |||||||
| d1 | d | d3 | B1 | G | 和鎖緊裝置 | 螺母 | ||||
|
|
||||||||||
| mm | kg | - | ||||||||
|
|
||||||||||
| 800 | 850 | 980 | 308 | Tr 850x7 | 288 | OH 39/850 H | HM 30/850 | MS 30/900-850 | HMV 170 E | |