
軸承型號(hào):OH31/800H
| 緊定套 | ||||||||||
|
|
||||||||||
| 尺寸 | 體積 | 型號(hào) | ||||||||
| 緊定軸套帶螺母 | 鎖定螺母 | 鎖定裝置 | 適宜的液壓 | |||||||
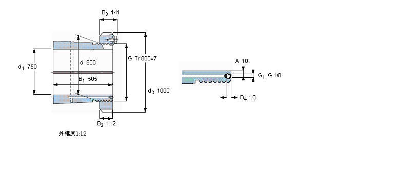
| d1 | d | d3 | B1 | G | 和鎖緊裝置 | 螺母 | ||||
|
|
||||||||||
| mm | kg | - | ||||||||
|
|
||||||||||
| 750 | 800 | 1000 | 505 | Tr 800x7 | 535 | OH 31/800 H | HM 31/800 | MS 31/800-750 | HMV 160 E | |