
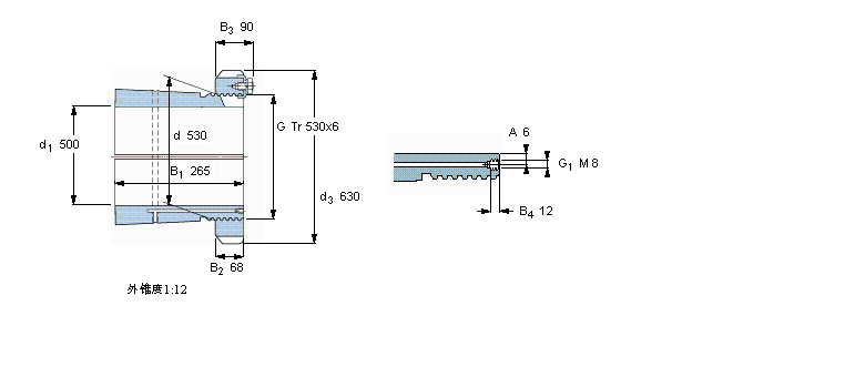
軸承型號(hào):OH30/530H
| 緊定套 | ||||||||||
|
|
||||||||||
| 尺寸 | 體積 | 型號(hào) | ||||||||
| 緊定軸套帶螺母 | 鎖定螺母 | 鎖定裝置 | 適宜的液壓 | |||||||
| d1 | d | d3 | B1 | G | 和鎖緊裝置 | 螺母 | ||||
|
|
||||||||||
| mm | kg | - | ||||||||
|
|
||||||||||
| 500 | 530 | 630 | 265 | Tr 530x6 | 105 | OH 30/530 H | HM 30/530 | MS 30/600-530 | HMV 106 E | |