
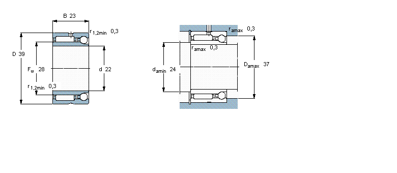
軸承型號:NKIA59/22
| 組合式滾針軸承, 滾針/角接觸球軸承, 軸向負荷 單向 | |||||||||||||
| 公差 , 參見文字 | |||||||||||||
| 徑向內部游隙 , 參見文字 | |||||||||||||
| 推薦配合 | |||||||||||||
| 軸和軸承座公差 | |||||||||||||
|
|
|||||||||||||
| 主要數據尺寸 | 基本負荷額定值 | 疲勞負荷限值 | 額定速度 | 體積 | 型號 | ||||||||
| 徑向 | 軸向 | 參照速度 | 限制速度 | ||||||||||
| 動態(tài) | 靜態(tài) | 動態(tài) | 靜態(tài) | 徑向 | 軸向 | ||||||||
| d | D | B | C | C0 | C | C0 | Pu | Pu | |||||
|
|
|||||||||||||
| mm | kN | kN | r/min | kg | - | ||||||||
|
|
|||||||||||||
| 22 | 39 | 23 | 23,3 | 32 | 4,14 | 4,93 | 3,9 | 0,205 | 14000 | 15000 | 0,12 | NKIA 59/22 | |