
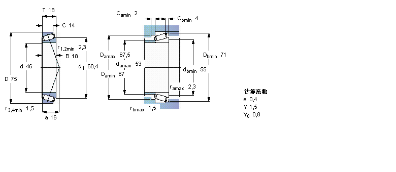
軸承型號:LM503349/310/QCL7C
| 圓錐滾子軸承, 單列, 英制軸承 | ||||||||||
| 公差 , 參見文字 | ||||||||||
| 推薦配合 | ||||||||||
| 軸和軸承座公差 | ||||||||||
|
|
||||||||||
| 主要數據尺寸 | 基本負荷額定值 | 疲勞負荷限值 | 額定速度 | 體積 | 型號 | |||||
| 動態(tài) | 靜態(tài) | 參照速度 | 限制速度 | |||||||
| d | D | T | C | C0 | Pu | |||||
|
|
||||||||||
| mm | kN | kN | r/min | kg | - | |||||
|
|
||||||||||
| 46 | 75 | 18 | 50,1 | 71 | 7,65 | 6300 | 9500 | 0,30 | LM 503349/310/QCL7C | |