
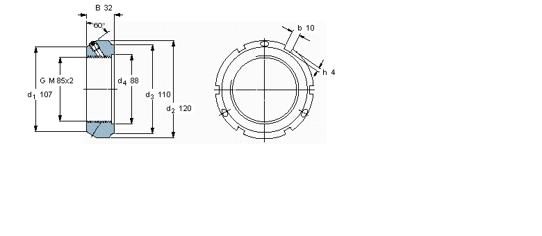
軸承型號(hào):KMT17
| 帶鎖緊銷的KMT精密鎖緊定螺母 | ||||||||||
|
|
||||||||||
| 螺紋尺寸 | 尺寸 | 軸向負(fù)荷 | 體積 | 型號(hào) | 平頭螺釘 | |||||
| 承載能力 | 鎖定螺母 | 適宜的板手 | 尺寸 | 推薦的緊固扭矩 | ||||||
| d3 | B | G | 靜態(tài) | |||||||
|
|
||||||||||
| - | mm | - | kN | kg | - | - | - | Nm | ||
|
|
||||||||||
| 85 | 110 | 32 | M 85x2 | 650 | 1,15 | KMT 17 | HN 18-20 | M 10 | 35 | |