
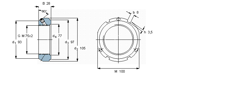
軸承型號(hào):KMT15
| 帶鎖緊銷的KMT精密鎖緊定螺母 | ||||||||||
|
|
||||||||||
| 螺紋尺寸 | 尺寸 | 軸向負(fù)荷 | 體積 | 型號(hào) | 平頭螺釘 | |||||
| 承載能力 | 鎖定螺母 | 適宜的板手 | 尺寸 | 推薦的緊固扭矩 | ||||||
| d3 | B | G | 靜態(tài) | |||||||
|
|
||||||||||
| - | mm | - | kN | kg | - | - | - | Nm | ||
|
|
||||||||||
| 75 | 97 | 28 | M 75x2 | 520 | 0,80 | KMT 15 | HN 16 | M 8 | 18 | |