
軸承型號:6310/VA201
| 深溝球軸承, 用于高溫的深溝球軸承, 無密封件 | ||||||||
| 公差 , 參見文字 | ||||||||
| 徑向內部間隙, 參見文字 | ||||||||
| 推薦配合 | ||||||||
| 軸和軸承座公差 | ||||||||
|
|
||||||||
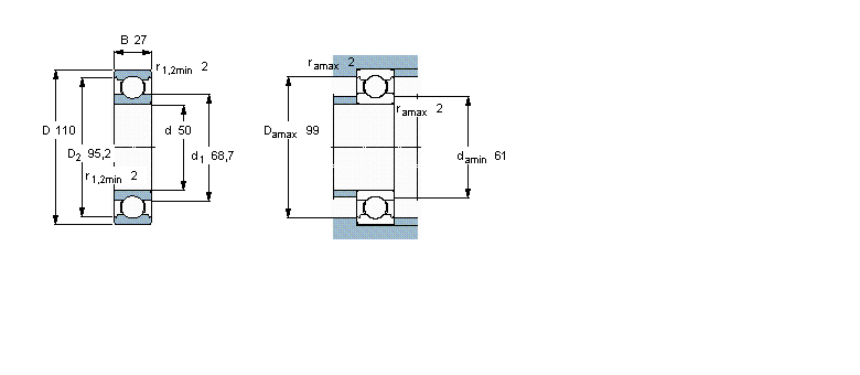
| 主要數據尺寸 | 基本負荷額定值 | 徑向內部游隙 | 體積 | 型號 | ||||
| 靜態(tài) | ||||||||
| d | D | B | C0 | 最小 | 最大 | |||
|
|
||||||||
| mm | kN | μm | kg | - | ||||
|
|
||||||||
| 50 | 110 | 27 | 38 | 180 | 292 | 1,05 | 6310/VA201 | |