
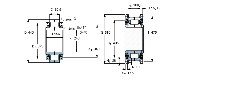
軸承型號:319307B
| 圓柱滾子軸承, 剖分式單列 | |||||||||||
| 公差, 參見文字 | |||||||||||
| 徑向內部間隙, 參見文字 | |||||||||||
|
|
|||||||||||
| 主要數據尺寸 | 基本負荷額定值 | 疲勞負荷限值 | 徑向內部游隙 | 體積 | 型號 | ||||||
| 動態(tài) | 靜態(tài) | ||||||||||
| d | D | B | C | C | C0 | Pu | 最小 | 最大 | |||
|
|
|||||||||||
| mm | kN | kN | mm | kg | - | ||||||
|
|
|||||||||||
| 240 | 440 | 156 | 90,5 | 1320 | 2040 | 193 | 0,105 | 0,165 | 125 | 319307 B | |